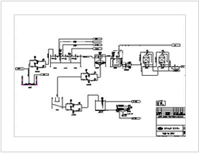
폐수처리시설 : 물리, 화학적 처리시설
![]() |
|---|
물리적 처리시설은 정수장, 폐수처리의 첫 처리단계에서 비교적 큰 부유물을 제거하는 방법으로 스크린, 침사지, 침전지, 흡착 등으로 분류되며 화학적 처리는 폐수의 성상 및 공정의 종류에 따라 목적이 다양한데 미세현탁 물질 및 COD 제거, PH조절 , CN의 산화처리, CR+6의 환원처리, NP의 제거등 물리적 처리와 마찬가지도 단독처리 보다는 복합적으로 병용해서 SYSTEM이 이루어 진다.
물리적 처리
- 침전법 - 침사, 침전
- 농축법 - 압밀, 부상농축, 원심분리
- 유지분리법 - 부상분리, 스키밍
- 여과법 - 스크린, 모래여과, 진공여과, 가압여과, 회전금망
화학적 처리
- 약품응집법 - 중화, 약품혼화, FLOC침강
- 소독법 - 염소소독, 오존소독
- 폭기법 - 폭기, 스프레이
주요 시설
스크린 및 침사지
폐수중에 함유한 큰 부유물, 기타 잡물 또는 토사분을 제거하기 위한 것으로 펌프류의 폐쇄나 손상을 방지하고 또 저유탱크, 침전지 활 성오니 폭기조, 살수여상 등 그 뒤에 연결되는 공정의 부담을 경감시 킨다거나 그 처리를 용이하게 하는 시설
침전
폐수중에 함유한 침전 가능 고형물의 비중이 물의 비중보다 클 경우, 즉 입자 의 침강력이 액체의 마찰 저항력보다 클 경우 부유물이 중력에 의하여 가라앉는 현상을 침전이라고 하며 이 원리를 이용해 폐수중의 고.액을 분리시키는 장치를 침전조라 하고 저부에 가라앉은 고형물을 슬러지라고 하며 비중차에 의하여 상 부에 위치한 폐수를 상징수라고 한다. 침전은 기본적으로 침강속도가 유출속도 보다 클 경우에만 진행된다. 이때 생기는 슬러지는 펌프에 의해서 농축조로 이 송되어 처리되며 상징수는 웨어를 통하여 자연 유하식으로 다음 처리 공정으로 유입한다.
부상
폐수내에 존재하는 저밀도 고형분이나 액상미립자를 부상하여 분리시키는 방법으 로 원리는 기포 거품을 액상으로 주입시킴으로써 분리가 이루어진다. 용액 속에 공기가 포화되도록 충분한 공기로(2-4 기압)의 작동 압력으로 액상에 압력을 가 한 후 감압밸브를 통해 이 포화액을 대기압으로 감압시킨다. 이 압력 강하로 인하 여 미세기포가 용액으로부터 방출된다. 오일과 같은 액상입자난 부유 고형물은 이 미세기포에 의해 부유되며, 탱크면으로 부상하게 된다. 농축 부유물은 탱크 표면 에서 기계적 장치에 의해서 제거된다. 부상법에는 확산부상법, 가압부상법, 전기분 해부상법이 있다.
여과
일반적으로 분리면으로서 다공질(여재)의 전후 압력차, 즉 여과압을 발생시켜 여 재 표면부근에서 원수 중 오염인자를 여재로서 포촉함과 동시에 이들 포촉입자군 과 여재로서 구성된 여액 흐름경로를 투과해 얻어지는 여가수를 뽑아내는 조작으 로 여재로서는 모래, 안트라사이트, 규조토, 섬유 등이 사용된다.
중화
산과 염기를 가하여 염과 물을 생성하게 하는 반응을 말하며, 산성 또는 알카리 성 폐수를 반대성질의 약품으로 화학적 처리하여 제거하는 것을 말한다. 중화약품 으로 산으로는 황산, 염산, 탄산가스, 알카리로 사용되는 것은 가성소다, 소석회 등이다.
응집 침전
폐수중의 색소, 콜로이드, 유기물, 미생물, 현탁입자 등을 분리, 제거하기 위 하여 PH조정 후 반응조에 응집제를 주입해 미립자들을 서로 엉키게 하여 미 립자의 크기를 증대시켜 응집조에서 폴리머를 주입해 겉보기 비중을 증가시 켜 침강속도를 빠르게 하여 고액을 분리시켜 처리한다.
산화처리
물속에 유해한 유기물을 완전 산화하여 무해물로 변화시키거나 수용성 금속 이온을 산화시켜 불용성물로서 제거한다.
환원처리
물속에 용해된 유독물질을 환원시켜서 무독한 상태로 만들든지 침전 처리하 는 방법이다.
이온교환
이온교환수지를 사용하는 교환법은 폐수중의 유용자원을 회수하고 폐수를 무 해화하게 할 수 있으나 이온교환체는 교환용량이 소량이거나 고가의 물질을 회수 및 다른 방법으로는 곤란한 유해물질의 제거에 한할 경우 이용된다.
